Need help?
Follow Us
Your cart is empty
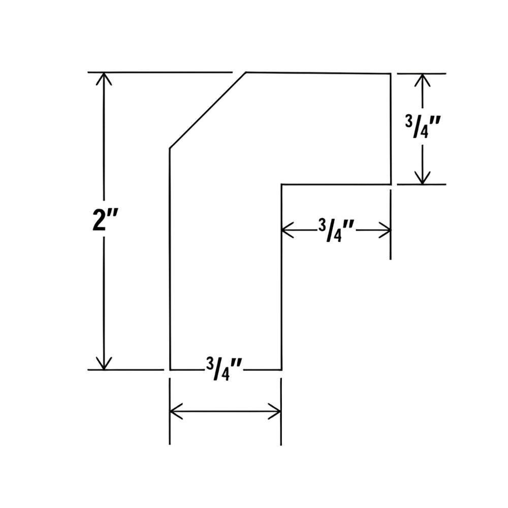
High quality Grey Shaker Kitchen Cabinet Angle Light Rail Moulding. ALRM is a Angle Light Rail Moulding Cabinet Accessory.
Height Offered – 2"