Key Features:
- Premium Quartz Counter Top for Bathroom Vanities.
- Sink included & faucet holes pre-cut.
- Comes with 1 Back Splash & 1 Side Splash Piece
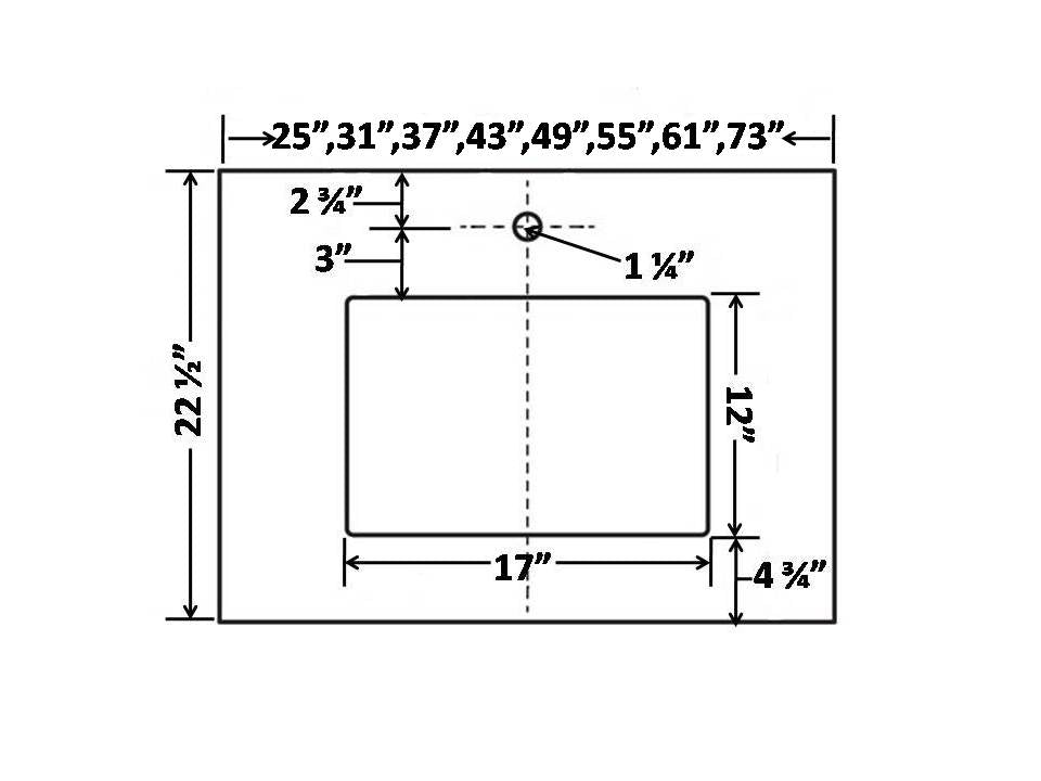
- Size is 73" L X 22.5" D X 0.75" H
Note: The image is for reference purposes, the actual countertop might not be the exact same pattern, shape, or color.
Please call us to see the exact item!